Seite 1 von 2
[SUCHE] Trommelbremse, Anleitung
Verfasst: Di 02.02.10 23:32
von Daniz207RC
Nabend Leute!
Hat irgendjemand zufällig ne bebilderte oder detailiert geschrieben Anleitung zur Demontage einer Trommelbremse? Geht um n Pug 106 1.1 BJ 2000. Problem ist wie schon hier im Forum besprochen das blockieren des rechten Hinterrads, weil die Bremse fest sitzt. Hab die Hoffnung noch nicht aufgegeben das ich es mit neuen Bremsbacken gelöst bekomme. Problem ist halt dass die Bremse ein wenig fest sitzt. Hoffe irgendjemand kann mir helfen.
Danke schonmal

Re: [SUCHE] Trommelbremse, Anleitung
Verfasst: Di 02.02.10 23:55
von Deux-Cent-Cinq
also grundsätzlich...
desto grösser der hammer, desto einfacher löst sich die geschichte^^
so oft wie nötig mit voller wucht auf die bremstrommel draufgedrescht, und dann lösen sich die teile!
n riesen problem haste allerdings, wenn sich die beläge von den bremsbelägen gelöst haben, und sich irgendwie in der bremstrommel frei bewegen und sich dann verkantet haben,...was ich für dich nicht hoffe!
einmal hab ich es auch geschafft durch ein loch der radbolzen den nachstellring zurückzudrehen, so dass die bremsbeläge sich nimmer so fest an die bremstrommel gelegt haben, dann gings auch ab, aber das is fisifus arbeit, und wennst die technik d´rinnen net kennst, wirds net einfach.
auto aufbocken, rad runter, draufgemöhrt mitn hammer, am besten so einen gescheiten abrisshammer, womit ma wände einreisst
2-3 mal draufgekloppt und des ding müsst runter kommen^^
bei mir hats immer geklappt
grüße
Re: [SUCHE] Trommelbremse, Anleitung
Verfasst: Mi 03.02.10 15:05
von Daniz207RC
Danke für die Antwort. Werd mich wohl gleich mal dran machen....
Re: [SUCHE] Trommelbremse, Anleitung
Verfasst: Mi 03.02.10 16:18
von tom198
hi,
um die bremse zurückzustellen, einfach erstmal rad runter. In Fahrtrichtung vorn oben sieht man dann durch ein Radbolzenloch einen kleinen silbernen Metallhebel, den mit einem Schraubendreher runter drücken, dann ist die Bremse zurückgestellt - sollte sie zumindest, wenn sich nichts verkeilt hat. Dazu muss man das Rad aber eben drehen können (bis man den Hebel sieht).
viel glück
Re: [SUCHE] Trommelbremse, Anleitung
Verfasst: Mi 03.02.10 18:31
von Daniz207RC
Und nochmals Danke! Bin heut leider nicht dazu gekommen. Wenn ich das Rad ab habe (hatte ich gestern schonmal) kann ich die Trommel drehen, jedoch ist dazu schon einiges an Kraftaufwand nötig. Also verkeilt hat sich glaub ich nix. Hab einfach das Gefühl dass sich die Bremse nicht mehr selbst komplett zurück stellt.
Re: [SUCHE] Trommelbremse, Anleitung
Verfasst: Mi 03.02.10 19:11
von Utensil
wenn du das rad drehen kannst is doch dufte! zurückstellen tut die sich der rücksteller auch nich. der kann nur in eine richtung, und das is fester!
wenns bissl schleift beim drehen macht dat nix... das schleift nicht lange. lass sich den überschüssigen belag doch selber abschleifen... das macht der eigentlich nach jedem nachstellen.
wenn du die trommel trotzdem runter haben willst löst du die 32er radmutter, packst dein rad wieder ran und juckelst dann am rad bzw. haust ma mitm bello abwechselnd links und rechts (von innen auf den gummi natürlich)
Re: [SUCHE] Trommelbremse, Anleitung
Verfasst: Mi 03.02.10 20:06
von Daniz207RC
Utensil hat geschrieben:wenn du das rad drehen kannst is doch dufte! zurückstellen tut die sich der rücksteller auch nich. der kann nur in eine richtung, und das is fester!
wenns bissl schleift beim drehen macht dat nix... das schleift nicht lange. lass sich den überschüssigen belag doch selber abschleifen... das macht der eigentlich nach jedem nachstellen.
wenn du die trommel trotzdem runter haben willst löst du die 32er radmutter, packst dein rad wieder ran und juckelst dann am rad bzw. haust ma mitm bello abwechselnd links und rechts (von innen auf den gummi natürlich)
hört sich schonmal vielversprechend an. Dann will ich die Hoffnung mal nicht aufgeben. Die Sache ist ja dass ich Bremsen kann aber die Bremse nicht mehr zurück geht. Es fühlt sich halt so an als würd die ganze zeit jemand hinten rechts am Auto ziehen, weil die Bremse ja kontinuierlich "bremst". Deswegen würd ich die Trommel gern mal auf haben um wirklich sicher zu gehen das nix schlimmes ist.
Re: [SUCHE] Trommelbremse, Anleitung
Verfasst: Do 04.02.10 01:03
von Utensil
ja guck ma ob noch alle federn da sind, beläge ordentlich, bremszylinder dicht und pack bissl kupferschmalz zwischen die bewegten teile, wa!

Re: [SUCHE] Trommelbremse, Anleitung
Verfasst: Do 04.02.10 08:34
von Daniz207RC
Utensil hat geschrieben:ja guck ma ob noch alle federn da sind, beläge ordentlich, bremszylinder dicht und pack bissl kupferschmalz zwischen die bewegten teile, wa!

Hast du zufällig n Foto wie die geöffnete Trommel im "Normalzustand" aussehen sollte!? Oder soll ich einfach beide Trommeln aufmachen und vergleiche. Die linke Trommel läuft ja ganz normal und müsste somit "normal" aussehen. Und aufmachen muss ich die ja auch, weil ich ja dann eh die Beläge wechseln muss...
Re: [SUCHE] Trommelbremse, Anleitung
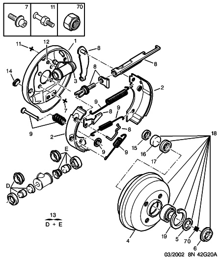
Verfasst: Do 04.02.10 10:25
von Utensil
das müsste man da drinne finden


- 106 serie2 trommel
- 8n42g20a.jpg (70.68 KiB) 7999 mal betrachtet