Leistungsverlust/AussetzterEW12 *!an alle Spezis!

Die wohl interessanteste Kategorie. Ihr habt Probleme mit Eurem Peugeot? Die Werkstatt weiss mal wieder nicht weiter? Das Handbuch gibt auch nichts mehr her? Na dann, stellt Eure Frage hier rein.
Benutzeravatar
XXFireXX
Lenkradbeißer
Beiträge: 224
Registriert: Mo 19.03.07 20:23
Land: Deutschland
Wohnort: BambiCity
Kontaktdaten:

Leistungsverlust/AussetzterEW12 *!an alle Spezis!

Beitrag von XXFireXX » Sa 25.09.10 09:49

Hi Ihr,

Habe seit einer Woche ein Problem mit meinem 406. (ew12)
Vorne weg...habe nicht viel Zeit momentan und komme nur kurzweilig zu Prüfungen. :traurig:

Das Problem äußert sich wie folgt:

Anfänglich sehr sporadischer und einziger auftauchender Fehler >Gemichadaption Bank 1<, was ja soooo Aussagekräftig ist. Klar kann vieles sein. Die Lambdasonde hat halt ein Problem festgestellt. Keine spürbaren Probleme. Er läuft super.

Seit ein paar Tagen dann tritt dieser Fehler häufiger auf mit übler Begleiterscheinung.
Im Teillastbereich und Leerlauf läuft er sauber, jedoch im Volllastbereich ab 3000 U/min Leistungsabfall. 158 PS verwandeln sich in 60 :D .

So was hab ich bis jetzt gemacht:

Kraftstoffdruck gemessen > 3,6 bar , klingt plausibel. Kein Abriss.
Signal KW-Sensor/ NW-Sensor bei Fahrt mit Oszi überwacht, habe keinen Kurvenabriss gesehen beim Aussezten.

Was mich wurmt ist, das es nicht ruckartig passiert sondern eher "gemächlich", soll heißen, fühlt sich an als würde er kein Kraftstoff bekommen.( ^^Pumpe geprüft). Die Zündkerzen sind stark verußt, als würde der Zündzeitpunkt nicht passen.

So nun meine Frage hat einer von euch schon ein ähnliches Problem gehabt?

Die Nockenwellenverstellung kommt mir in den Sinn. Hat jemand schon einmal das Problem gehabt das diese ohne Funktion war? Würde zumindest von den Fehlern her in Frage kommen.

:gruebel: :traurig:
Zuletzt geändert von XXFireXX am Sa 30.10.10 23:19, insgesamt 1-mal geändert.
mfG

Fire

Benutzeravatar
XXFireXX
Lenkradbeißer
Beiträge: 224
Registriert: Mo 19.03.07 20:23
Land: Deutschland
Wohnort: BambiCity
Kontaktdaten:

Re: Leistungsverlust/ Aussetzter EW12

Beitrag von XXFireXX » So 26.09.10 10:59

Keiner eine Idee? :gruebel: :traurig: :hilflos:
mfG

Fire

Benutzeravatar
XXFireXX
Lenkradbeißer
Beiträge: 224
Registriert: Mo 19.03.07 20:23
Land: Deutschland
Wohnort: BambiCity
Kontaktdaten:

Re: Leistungsverlust/ Aussetzter EW12

Beitrag von XXFireXX » Sa 09.10.10 21:16

Ich nochmal??? :auslach:

Wie siehts aus? könnte ein paar gute Denkanstöße brauchen.... :D

Also was habe ich weiterhin gemacht:

Lambdasonde ausgemessen< regelt zwischen ca.0,2 bis 0,98 V
Unterdrucksensor geprüft < im LL 1,5 V und springt aus beim beschleunigen
Nockenwellen und Kurbelwellensignal über Oszi angeschaut< sieht sauber aus
Ansaugtrakt mit Bremsenreiniger abgesprüht< Lauf bleibt unverändert; keine Falschluft
Ansteuerung Nockenwellenverstellventil< Bordspannung
Widerstand von Ansauglufttemp und Motortempfühler< i.O.

Ich weiß mom nicht weiter. Die Steuerzeiten passen! Kerzen sind verrußt, das heißt für mich ZZP passt nicht aber die Sensoren scheinen zu passen...... :heul:

Das die Einspritzdüsen defekt sind?
mfG

Fire

Benutzeravatar
XXFireXX
Lenkradbeißer
Beiträge: 224
Registriert: Mo 19.03.07 20:23
Land: Deutschland
Wohnort: BambiCity
Kontaktdaten:

Re: Leistungsverlust/ Aussetzter EW12

Beitrag von XXFireXX » Mo 11.10.10 09:45

Wo sind denn die Spezis??
mfG

Fire

breakdriver
Lenkradbeißer
Beiträge: 257
Registriert: Di 22.06.10 14:38
Land: Deutschland

Re: Leistungsverlust/ Aussetzter EW12

Beitrag von breakdriver » Di 12.10.10 18:24

Hi XXFireXX ;)

ich kann Dir leider auch nicht weiterhelfen, aber ich habe bereits mit Psychoschlumpf und 2 anderen Kollegen einen ewig langen Kampf mit der selben Sachen. Allerdings mit dem XFZ Motor.

Thread - Aussetzer bei 3000 u/min XFZ von mir....

Hast du bei Dir den wenigstens eine Fehlermeldung in der Anzeige erhalten ? weil du geschrieben hast das die Lamda da was endeckt hat ? Motorkontrollleuchte ?


Bei mir ist es nämlich GENAU das gleiche wie von Dir beschrieben. Mittlerweile nützen auch längere Autobahnfahrten nichts mehr, um dem ganzen Abhilfe für 2-3 Tage zu verschaffen. Dachte erst es wären die Kerzen, nun dachte ich an die Kupplung da ich bereits den Rest schon nachgesehen hab.



Grüße Break :hilflos:
"An sich ist nichts weder gut noch schlecht; Nur die Gedanken machen es dazu."”

Benutzeravatar
Pireselli
Kanaldeckelumfahrer
Beiträge: 171
Registriert: Mi 04.08.04 21:58
Land: Deutschland
Wohnort: Österreich

Re: Leistungsverlust/ Aussetzter EW12

Beitrag von Pireselli » Mi 13.10.10 09:53

Ich würde auch auf Luftmassenmesser oder Lambdasonde Tippen.
Eventuell war der Sprit auch mal schlecht bei dir?
Fährst du immer zur gleichen Tankstelle?

* Kraftstoff-Druckregler und Haltedruck prüfen

* Kraftstoffpumpe prüfen

* Ansaugsystem auf Undichtigkeit prüfen

* Abgasanlage auf Dichtigkeit prüfen

* Unterdruckleitungen auf Undichtigkeiten prüfen

wenn du im Google Gemichadaption Bank 1 eintippst bekommst du sehr viele Einträge
Peugeot 205 Rallye 1.9 89, Peugeot 205 GMi16 90, Peugeot 406 Coupe, Honda CRX VTEC 91

Benutzeravatar
XXFireXX
Lenkradbeißer
Beiträge: 224
Registriert: Mo 19.03.07 20:23
Land: Deutschland
Wohnort: BambiCity
Kontaktdaten:

Re: Leistungsverlust/ Aussetzter EW12

Beitrag von XXFireXX » Mi 13.10.10 17:46

hey,
schön das ihr mir geantwortet habt. :lach:

habe ja schon das ganze spektrum abgegrast. kraftstoffdruck (druckregler hat er nicht da kein rücklauf), unterdrucksensor, lufttemp.fühler, kühlmittelfühler, geber v. nw und kw. und auch ansaugseitig alles neu abgedichtet (obwohl ich vorher mit "bremsenreiniger" abgespritzt habe), abgasseitig ist alles dicht. ich habe auch nach dem sekundärluftventil geschaut, das dichtet auch in die gegenrichtung ab.
habe mal eine andere lambdasonde rein. dann lief er auch ein kurzes stück und promt kam der fehler wieder. er sägt richtig bei 3000 umdrehungen. wenn ich ihn mal auf der autobahn jage gehts ne zeitlang gut und mit einmal wirft er den anker. und dann pendelt auch der leerlauf.

bei mir kommt die mot.kontr.leuchte und der fehler im fehlerspeicher lautet "gemischaufbereitung bank 1 fehlerhaft"

..*gg*...und ja ich tanke immer super und an der gleichen tanke
mfG

Fire

Benutzeravatar
XXFireXX
Lenkradbeißer
Beiträge: 224
Registriert: Mo 19.03.07 20:23
Land: Deutschland
Wohnort: BambiCity
Kontaktdaten:

Re: Leistungsverlust/ Aussetzter EW12

Beitrag von XXFireXX » Fr 15.10.10 17:02

hey nochmal,

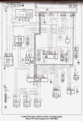
kann mir jemand den sollöldruck nennen? oder hat jemand einen schaltplan für den ew12. ich habe die IAW 4MP 1.1 einspritzung

danke schonmal ich verzweifle dann mal weiter
mfG

Fire

breakdriver
Lenkradbeißer
Beiträge: 257
Registriert: Di 22.06.10 14:38
Land: Deutschland

Re: Leistungsverlust/ Aussetzter EW12

Beitrag von breakdriver » So 17.10.10 01:44

Hi :)

kannst du damit was anfagen ? leider ist der Favorit zu klein als Grafik.
Schema elec ew.jpg
"An sich ist nichts weder gut noch schlecht; Nur die Gedanken machen es dazu."”

breakdriver
Lenkradbeißer
Beiträge: 257
Registriert: Di 22.06.10 14:38
Land: Deutschland

Re: Leistungsverlust/ Aussetzter EW12

Beitrag von breakdriver » So 17.10.10 01:51

das hier ist der Favorit, aber den gibt es online nicht mehr. Schade...
vvvv.JPG
vvvv.JPG (7.32 KiB) 2066 mal betrachtet
"An sich ist nichts weder gut noch schlecht; Nur die Gedanken machen es dazu."”

Antworten