ich suche eine Lösung für ein Problem mit der Zweizonen-Klimaautomatik des schon betagten 207ers Baujahr 2006 meiner Tochter.
Symptom: Auf der Fahrerseite kommt nur kalte Luft. Beifahrerseite lässt sich normal regeln.
Was ich schon untersucht habe:
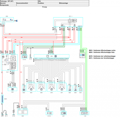
Verkleidungen im Fussraum weg, die Stellmotoren Fahrerseite und Beifahrerseite ausgebaut.
- Mechanisch ist alles in Ordnung: Wenn der Motor läuft und ich die Klappen von Hand verstelle, kommt jeweils warme Luft. Also kein Klappenbruch oder ausgefranste Zahnräder.
- Auf der Beifahrerseite kann man am Stellmotor schön sehen, wie er zwischen "HI" und "LO" entsprechend dem Drehregler umstellt.
- Auf der Fahrerseite fährt der Stellmotor nur auf "LO" Stellung und bleibt dann dort. Ich habe allerdings auch schon gelegentlich gesehen, dass er auf "HI" fährt, danach aber sofort wieder auf "LO" zurückgeht und dort bleibt.
- Der Stellmotor ist aber nicht defekt. Wenn ich links<>rechts tausche, dann dreht sich der "Fahrermotor" auf der Beifahrerseite wie erwartet, während der "Beifahrermotor" nun auf der Fahrerseite in "LO" stehenbleibt.
- Ich habe alle Kabelverbindungen durchgemessen, die jeweils 5 Käbelchen vom Klimabedienteilstecker "blau" zum Valeo Stellmotor sind einwandfrei.
- Ich habe ein zweites Klimabedientteil (gebraucht). Mit diesem zeigen sich exakt die gleichen Symptome. Es sollte also auch das Bedienteil nicht defekt sein.
- Ich habe in die Zuleitung zum Stellmotor einen Breakout gebaut und dort zumindest mit einem Multimeter die Spannungen gemessen. Ja, ich weiss, das ist wahrscheinlich PWM und somit nicht sehr genau. Aber ich sehe auf der Beifahrerseite während des Verstellvorgangs auf 4 von 5 Leitungen jeweils ca. 10 V gegen Masse, solange der Servomotor läuft. Auf der Fahrerseite ist keine Spannung wenn der Stellmotor "laufen sollte", deshalb vermute ich, dass das Bedienteil gar keine Signale sendet in diesem Moment.
- Ich habe unten im Bereich des Wärmetauschers den Temperatursensor (langes Stäbchen) ausgebaut, mit Elektronikspray gereinigt und mit dem Messgerät getestet. Der Widerstand ändert sich durch anhauchen / runterkühlen plausibel. Die grauen Kabel vom Sensor zum Klimabedienteil sind ok, ich kann den Widerstand auch im blauen Stecker messen.
Normalerweise würde ich nun sagen: "Der Innenraumsensor Fahrerseite der Klimaautomatik ist defekt". Wenn der z.B. immer "zu warm" liefert, dann hat die Klimaautomatik einfach keine Lust, den Stellmotor nach "wärmer" einzustellen. Nur...
1. ...habe ich bei einer ersten Suche keinen solchen Sensor gefunden,
2. ...habe ich in den Foren schon gelesen, dass eventuell überhaupt kein Sensor für Fahrer/Beifahrerseite existiert, sondern die 207 Klimaautomatik die Innenraumtemperatur eher "errät".
Deshalb bin ich nun mit meinem Latein weitgehend am Ende und hätte folgende Fragen an die Bevölkerung:
1. Hat der 207 mit Klimaautomatik Innenraumsensoren für die Temperatur?
2. Falls ja, wo kann ich diese finden?
3. Falls nein, wie kommt die Klimaautomatik zur "Isttemperatur", und wie wird zwischen Fahrerseite und Beifahrerseite unterschieden?
4. Hat sonst noch jemand eine Idee, warum die Klimaatomatik keine Lust mehr haben könnte, den Stellmotor Fahrerseite in Richtung "HI" zu fahren?
Alternativ bleibt mir nur noch, den Stellmotor Fahrerseite wegzulassen und ein Handrad auf den Stellhebel zu kleben...
cu, Steffen