Silentbock Hinterachse (Querlenker)

Die wohl interessanteste Kategorie. Ihr habt Probleme mit Eurem Peugeot? Die Werkstatt weiss mal wieder nicht weiter? Das Handbuch gibt auch nichts mehr her? Na dann, stellt Eure Frage hier rein.
Antworten
Mogdullu
Radarfallenwinker
Beiträge: 25
Registriert: Di 12.10.10 09:17
Postleitzahl: 66740
Land: Deutschland
Wohnort: Saarlouis

Silentbock Hinterachse (Querlenker)

Beitrag von Mogdullu » Di 23.11.10 22:19

Sevus,

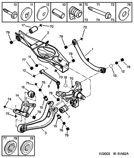
habe kürzlich (wegen TÜV) beide Silentböcke an der Hinterachse ausgetauscht (ausgebaut, rausgepresst, neue reingepresst und wieder eingebaut). DAs ist so ca. 2 Wochen her. jetzt habe ich das Problem, dass der Bock auf der rechten Seite verrutscht ist. Ich hatte zwar beim einpressen nicht gerade viel Widerstand - die alten gingen aber auch nicht extrem schwer raus. Muss ich beim einpressen (muss es jetzt wohl wieder machen) beachten? Locktite verwenden? Anbei noch zwei Photos des verrutschten Bockes.

Greets

Mog
23112010174.jpg
Hinterachse...
23112010173.jpg

Benutzeravatar
406 D
Spätzünder
Beiträge: 1665
Registriert: Di 11.11.03 00:00
Postleitzahl: 26632
Land: Deutschland
Wohnort: ihlow

Re: Silentbock Hinterachse (Querlenker)

Beitrag von 406 D » Do 25.11.10 20:08

moin,

das hat wahrscheinlich noch keiner getauscht wie es aussieht.

bei meinem break von 98 sehen die auch noch gut aus.

du meinst das teil nr. 16:
gelenk.jpg
es sieht doch eigentlich so aus als das es in halterung gar nicht verrutschen kann, auf dem 2. bild sieht man aber nur unten die schraube, wo ist die mutter denn? auf dem foto nicht zu sehen, vlt. macht es die perspektive.
hast du die lager nr. 15 auch getauscht?

andreas

Antworten