Die wohl interessanteste Kategorie. Ihr habt Probleme mit Eurem Peugeot? Die Werkstatt weiss mal wieder nicht weiter? Das Handbuch gibt auch nichts mehr her? Na dann, stellt Eure Frage hier rein.
-
Peugeot-Melli
- Radarfallenwinker
- Beiträge: 27
- Registriert: Fr 24.03.17 01:39
- Land: Deutschland
Beitrag
von Peugeot-Melli » Sa 14.09.24 11:04
Der TE sollte erst die 3 Parameter prüfen, wenn die ok sind und der springt nicht an, tippe ich auf das AGR-Ventil, was offen blockiert ist.
-
Peugeot-Melli
- Radarfallenwinker
- Beiträge: 27
- Registriert: Fr 24.03.17 01:39
- Land: Deutschland
Beitrag
von Peugeot-Melli » Sa 14.09.24 11:15
Wenn die 3 Parameter ok sind, schauen wir weiter. Dann wird es wohl das AGR-Ventil sein, was offen blockiert ist.
-
andybuer
- Serien-Wagen-Fahrer
- Beiträge: 1
- Registriert: Fr 20.09.24 22:53
- Postleitzahl: 74861
- Land: Deutschland
Beitrag
von andybuer » So 22.09.24 12:46
Hallo Elvis307,
bist du mit dem F000 schon weiter gekommen?
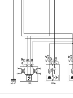
Habe seit 3 Wochen das (gleiche) Problem. Mein 307 1.6 Bj 2007 ging während der fahrt aus und springt nicht mehr an. Batterie o.k, Sprit bekommt er auch. Mein China Lexia gibt mir nur den F000 zur BSI und BSM. Nach 2 Wochen hab ich im Franz. Forum Schaltpläne gefunden. CAN Verbindung BSI - BSM ist o.k. Datenverkehr findet auch statt (hab ich mit Oszi überprüft). Gestern hab ich mir die Zündspule angesehen da beim Starten kein Zündfunke kommt. Sekundärseitig 1-4 / 2-3 gleich; Primärseitig 1-4 1,5 Ohm, 2-3 offen. Hoffe jetzt das eine neue Zündspule das Problem beseitigen wird und das Motor Steuergerät nicht abbekommen hat. Lieg ich mit meiner Einschätzung falsch ???

- Screenshot 2024-09-22 124322.JPG (14.73 KiB) 5861 mal betrachtet
Gruss Andreas
VF33CNFUL85008485
-
appeman
- Strafzettelsammler
- Beiträge: 454
- Registriert: Do 06.01.05 16:03
- Land: Deutschland
- Wohnort: 81549 München
Beitrag
von appeman » Di 31.12.24 16:11
Ich hatte mir beim 307 SW 2,0 HDi auch die Wegfahrsperre aktiviert weil ich versehentlich Spannung auf dem BUS gegeben hatte
Die Löwen-Werkstatt meinte dann das Steuergerät oder die BSI wären tot und der Austausch sollte Schlappe 2000€ kosten.
Ich habe dann das Steuergerät für 49€ bei einem darauf spezialisierten Unternehmen überprüfen lassen.
Letztendlich musste die Software aufs Steuergerät neu aufgespielt werden und danach funktionierte z.B auch die Funkfernbedienung wieder.
5008 Business Line HDI 150
307 SW HDI 110

stillgelegt