Service
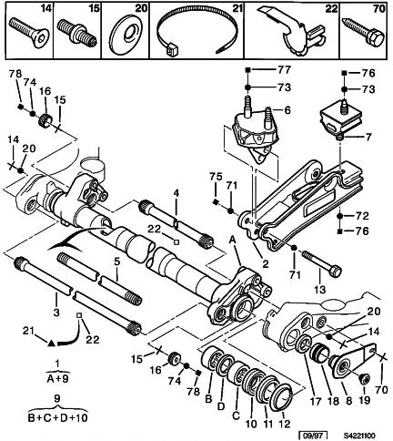
Doch, passt schon. 205 und 309 hatten genau 2 Bolzengrössen. Den langen bei SBB, den kurzen bei TBB. Ist da was anderes zusammengesteckt worden, hat einer sich was zusammengefrickelt.ccjlz hat geschrieben:Ich habe ja Scheibenbremsen auf den kürzeren Bolzen gehabt, von daher passt deine Aussage dazu nicht!?
genau so isses.obelix hat geschrieben:2 Bolzengrössen. Den langen bei SBB, den kurzen bei TBB. Ist da was anderes zusammengesteckt worden, hat einer sich was zusammengefrickelt.
PEJOT hat geschrieben:Es gab werkmäßig nur einen Bolzen [517617], die "Reparateure" nehmen Bolzen die gerade verfügbar sind.
so richtig sattelfest bist du nicht, was teile und ihre zuordnung angehtLeider weiss Peugeot nicht von verschiedenen Bolzen. Irgendeiner sollte die Leute mal aufklären, und Ihnen mitteilen,
daß sie Teile verbauen, von denen sie nichts wissen.