Die wohl interessanteste Kategorie. Ihr habt Probleme mit Eurem Peugeot? Die Werkstatt weiss mal wieder nicht weiter? Das Handbuch gibt auch nichts mehr her? Na dann, stellt Eure Frage hier rein.
-
Mr Silverball
- Kanaldeckelumfahrer
- Beiträge: 192
- Registriert: Mi 27.08.14 10:08
- Postleitzahl: 22455
- Land: Deutschland
- Wohnort: Hamburg
-
Kontaktdaten:
Beitrag
von Mr Silverball » Fr 12.09.14 22:59
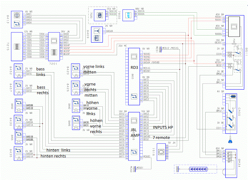
Habe noch ein bischen gestöbert und zusammengereimt.
Das ist daraus entstanden: (keine Garantie auf Richtigkeit)
Grüße,
Mr Silverball.
Cab Cruiser. (306 Cabriolet)
Sésame, ouvre-toi ! (1007)
-
Mr Silverball
- Kanaldeckelumfahrer
- Beiträge: 192
- Registriert: Mi 27.08.14 10:08
- Postleitzahl: 22455
- Land: Deutschland
- Wohnort: Hamburg
-
Kontaktdaten:
Beitrag
von Mr Silverball » Do 25.09.14 11:47
Auch hier bin ich etwas weitergekommen.
Es wurden tatsächlich die HP Ausgänge des Radios zum Verstärker geleitet. Der Verstärker trennt dann auf 8 Ausgänge unter anderem zwei Bassleitungen.
Ohne den Verstärker würde aus den LSPs also kein on kommen.
Alle 6(8) Lautsprecher funktionieren. Der Bass gibt keinen Ton von sich.
An den Verstärker bin ich bisher nicht herangekommen, konnte aber sehen, dass alle Kabel an den Steckern am AMP unbeschädigt sind. Messen war leider nicht möglich.
Ich muss wohl den Basslausprecher ausbauen oder zumindest freilegen, um dem Fehler auf die Spur zu kommen.
Weiss jemand, wie der Beifahrersitz ausgebaut wird?
Grüße,
Mr Silverball.
Cab Cruiser. (306 Cabriolet)
Sésame, ouvre-toi ! (1007)
-
Mr Silverball
- Kanaldeckelumfahrer
- Beiträge: 192
- Registriert: Mi 27.08.14 10:08
- Postleitzahl: 22455
- Land: Deutschland
- Wohnort: Hamburg
-
Kontaktdaten:
Beitrag
von Mr Silverball » Di 13.12.16 12:11
Update
Bass unterm Beifahrersitz tatsächlich tot.
Ersatzweise Bassbox in den Kofferraum gelegt. Klingt gut.
Habe jetzt noch einen gebrauchten original Bass ersteigert.
Mal sehen, ob der auch so gut klingt.

Grüße,
Mr Silverball.
Cab Cruiser. (306 Cabriolet)
Sésame, ouvre-toi ! (1007)
-
Floh406
- ADAC-Fan
- Beiträge: 517
- Registriert: Mi 07.07.10 17:56
- Postleitzahl: 86633
- Land: Deutschland
- Wohnort: Neuburg a. d. Donau
Beitrag
von Floh406 » Mo 06.03.17 18:32
Moin Silverball,
Sag mal, was ist denn jetzt bei dem Tausch von dem Sub rausgekommen?
Klingt besser? War es also der Lautsprecher? Oder ist der Verstärker am Sack?
Viele Grüße
Floh
Ich liebe Französisch...

-
Mr Silverball
- Kanaldeckelumfahrer
- Beiträge: 192
- Registriert: Mi 27.08.14 10:08
- Postleitzahl: 22455
- Land: Deutschland
- Wohnort: Hamburg
-
Kontaktdaten:
Beitrag
von Mr Silverball » Mo 06.03.17 22:10
Hi Floh,
bin noch nicht dazu gekommen, den auszutauschen. Ist doch ganz schön mit Arbeit verbunden.
Mit dem Ersatzbass klingts richtig fett, obwohl nur eine Seite läuft. Liegt aber am Bass, wenn ich den andersherum anschliesse, also rechts auf links, dann ist die gleiche Seite platt. Verstärker also vermtl. i.O.
Der Sommer kommt und dann werde ich mich mal ranmachen.
Grüße,
Mr Silverball.
Cab Cruiser. (306 Cabriolet)
Sésame, ouvre-toi ! (1007)
-
Mr Silverball
- Kanaldeckelumfahrer
- Beiträge: 192
- Registriert: Mi 27.08.14 10:08
- Postleitzahl: 22455
- Land: Deutschland
- Wohnort: Hamburg
-
Kontaktdaten:
Beitrag
von Mr Silverball » Sa 09.09.17 19:54
Noch ein kleines update. Habe den Bass (jamo) mit 2 neuen Systemen bestückt.
Ist nun fast ein "basschen" viel für den kleinen, aber macht trotzdem richtig Spaß.

Also der original Verstärker ist i.O.
Grüße,
Mr Silverball.
Cab Cruiser. (306 Cabriolet)
Sésame, ouvre-toi ! (1007)
-
Strange
- Administrator
- Beiträge: 4917
- Registriert: Mo 07.03.05 16:37
- Postleitzahl: 63452
- Land: Deutschland
- Wohnort: Hanau
Beitrag
von Strange » So 10.09.17 08:49
Mr Silverball hat geschrieben:Noch ein kleines update. Habe den Bass (jamo) mit 2 neuen Systemen bestückt.
Ist nun fast ein "basschen" viel für den kleinen, aber macht trotzdem richtig Spaß.

Also der original Verstärker ist i.O.
