Anschlüsse

Die wohl interessanteste Kategorie. Ihr habt Probleme mit Eurem Peugeot? Die Werkstatt weiss mal wieder nicht weiter? Das Handbuch gibt auch nichts mehr her? Na dann, stellt Eure Frage hier rein.
Antworten
scheibletti
Serien-Wagen-Fahrer
Beiträge: 4
Registriert: Mo 09.09.13 18:24
Postleitzahl: 86438
Land: Deutschland

Anschlüsse

Beitrag von scheibletti » Mi 03.08.16 12:26

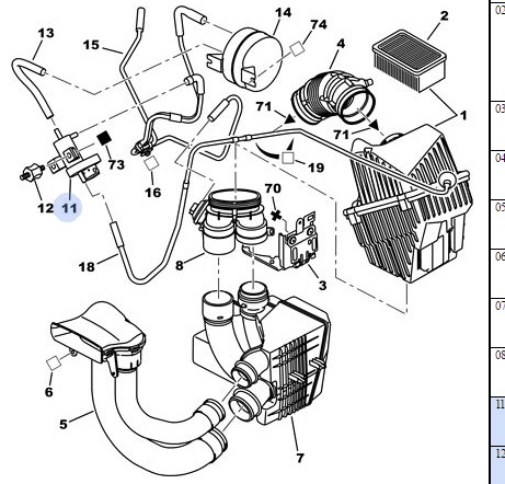
Hallo, habe einen Peugeot 307CC, Baujahr 2004 mit 130KW, mit dem ich einen Unfall hatte. Die ganze Front incl. Kühlermaske ist zerbrochen, eine andere Kühlermaske habe ich schon eingebaut. Nun zu meiner Frage, in Fahrtrichtung links vor dem Luftfilter sitzt die Sekundärluftpumpe und darüber ist ein Ventil mit 4 Unterdruckanschlüssen und darüber stehen noch zwei 6er Gewinde raus, ( von dem Blechträger ), da muss ja auch noch etwas hin. Kann mir jemand ein Bild senden, auf dem man erkennen kann, was da hin muss und wo die Anschlüsse hingehören? ( wie gesagt, ging alles kaputt beim Unfall )
Bin für jede Hilfe dankbar!!
Gruß Uwe
Werde heute noch versuchen ein Bild hochzuladen

Peugeot-Michel

Re: Anschlüsse

Beitrag von Peugeot-Michel » Fr 05.08.16 19:11

Das müsste der Unterdruckspeicher sein, der da angeschraubt ist. Auf dem Bild Nummer 14.
Dateianhänge
Unterdruckspeicher.jpg

scheibletti
Serien-Wagen-Fahrer
Beiträge: 4
Registriert: Mo 09.09.13 18:24
Postleitzahl: 86438
Land: Deutschland

Re: Anschlüsse

Beitrag von scheibletti » Sa 06.08.16 10:08

Hallo, Super,
du hast mir wirklich weitergeholfen. Ich war bei unserem Peuget - Händler, der ausgerechnet jetzt 2 Wochen Betriebsurlaub hat.

Danke nochmal!!!!
Gruß Uwe

Antworten